運営会社
092-606-3036
【営業時間】平日8:30~17:30
FAX:092-606-2734
ご相談・
お問い合わせ
HOME
試作加工 スピード切削
サービス
選ばれる理由
加工事例
形状から探す
材質から探す
加工方法から探す
業界から探す
QCD向上
提案事例
品質・精度向上
コストダウン
リードタイム短縮
対応材質・
対応加工法
保有設備
よくある質問
運営会社
QCD向上提案事例
HOME
QCD向上提案事例
リードタイム短縮
リードタイム短縮事例
逃がし寸法“任意”表記の見直しによるリードタイム短縮
スパナカット部の隅R指定による旋盤加工の効率化
隅部のR指定を無くすことによるコストダウン
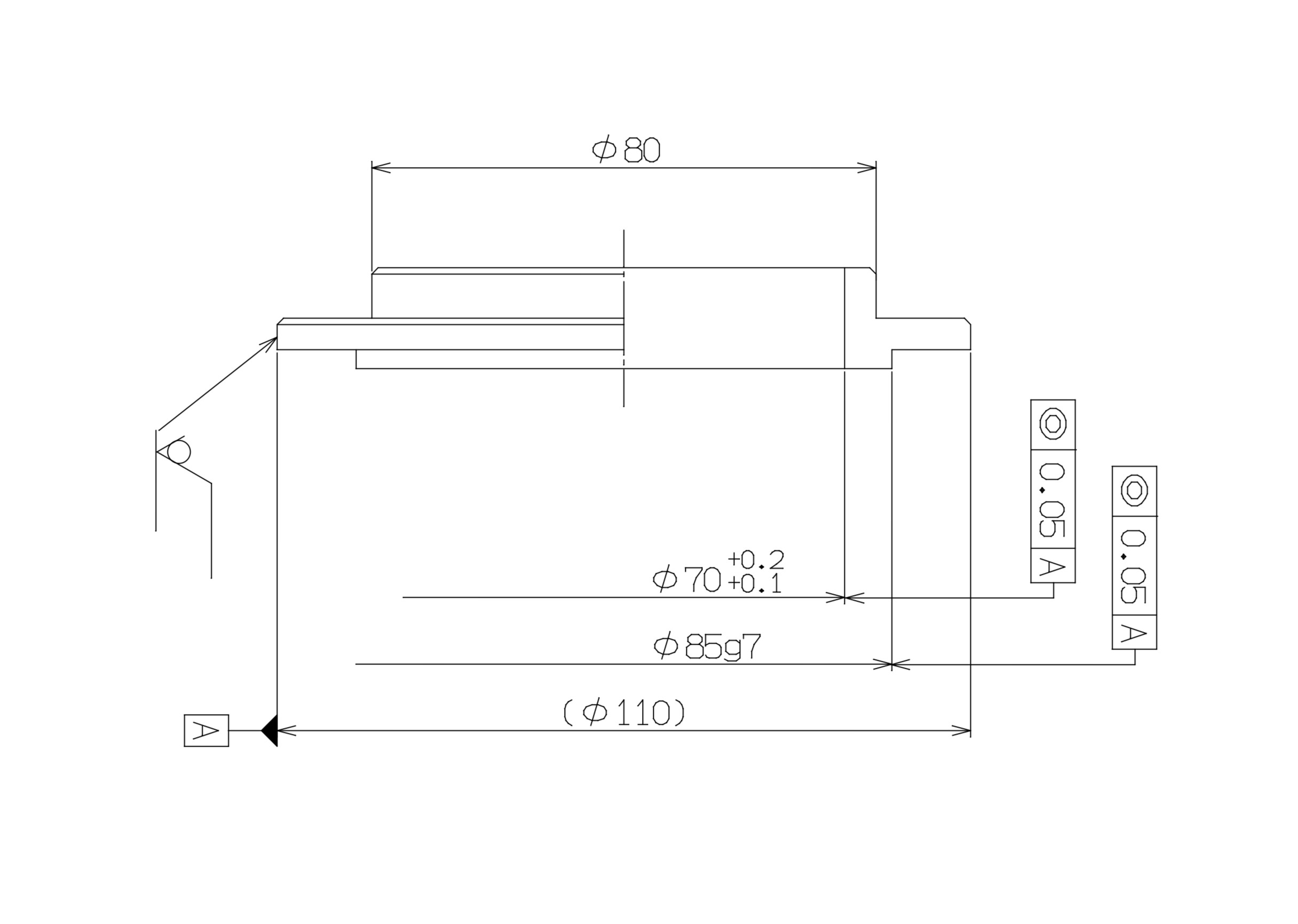
データム軸を指定する面(素材面)を切削可にすることによるコストダウン
アングル材の幾何公差緩和による歪み取り時間の短縮
円筒形状のキリ指示によるコストダウン
アングル材の厚み公差を見直し、歪み取り工程の削減
丸形状品の加工における端面指示の変更で実現するコストダウン
立壁際ザグリ加工の設計見直しによるコストダウン
1
2
QCD向上提案事例 カテゴリ一覧
品質・精度向上
コストダウン
リードタイム短縮
お問い合わせ・ご相談は、
お電話または
メールフォームより承ります。
ご相談・お問い合わせ
092-606-3036
【営業時間】平日8:30~17:30
FAX:092-606-2734
ご相談・お問い合わせ