データム軸を指定する面(素材面)を切削可にすることによるコストダウン
| 提案内容 | データム軸を指定する面(素材面)を切削可にする |
|---|---|
| 提案効果 | コストダウン、リードタイム短縮 |
Point
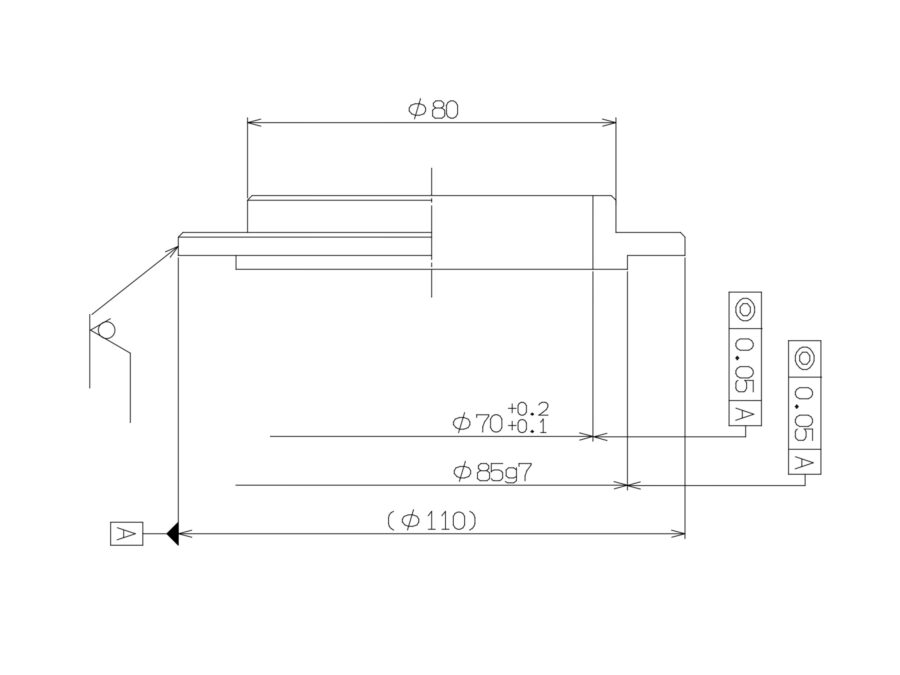
旋盤加工では、一度仕上げた円筒を外して再度つかみ直すだけでも、わずかな同軸度のズレは必ず発生します。切削加工していない生材面をつかむ場合、そのズレはさらに大きくなり、精度確保が困難になります。
そのため、データムを素材面基準の軸ではなく、切削した(切削しても良い)面基準の軸に指定していただくと、加工がスムーズに進み、精度も安定します。
なお、参考寸法を基準としてデータム指示を行うと、寸法保証ができなくなるため推奨できません。

